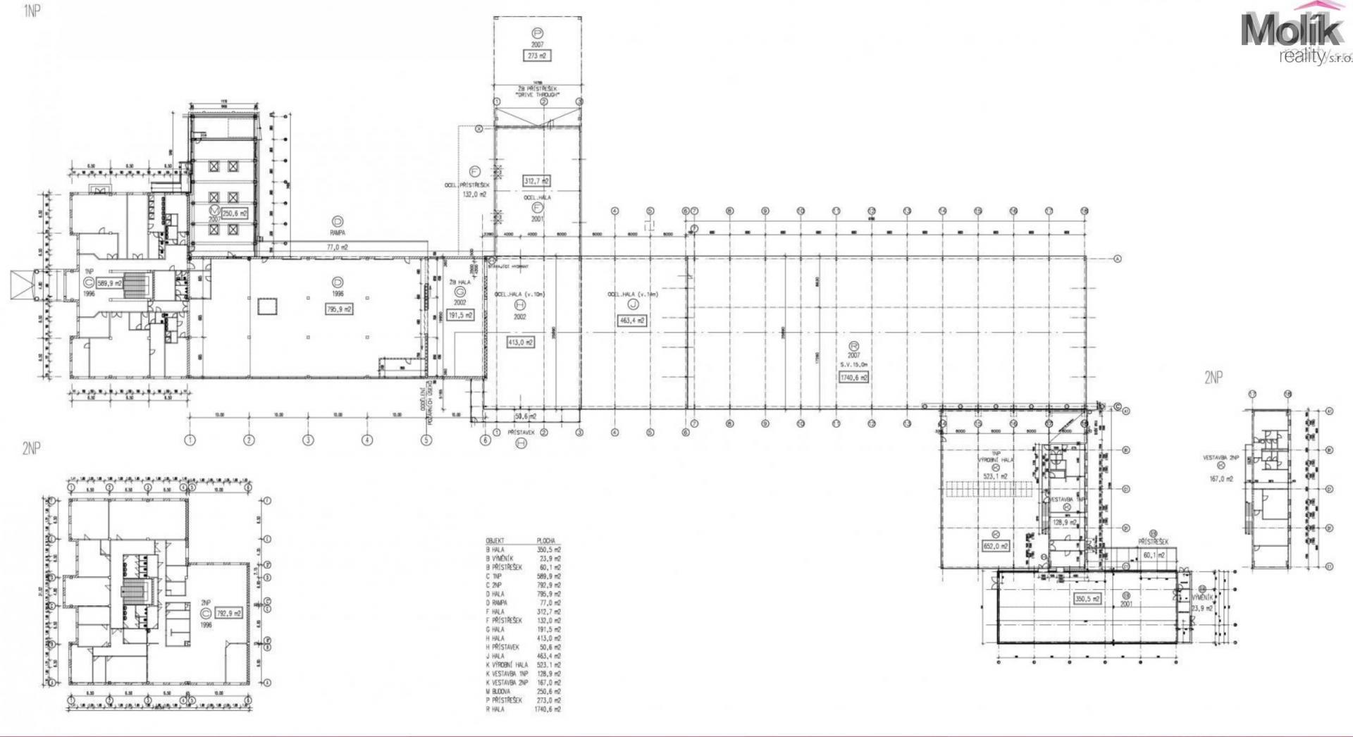
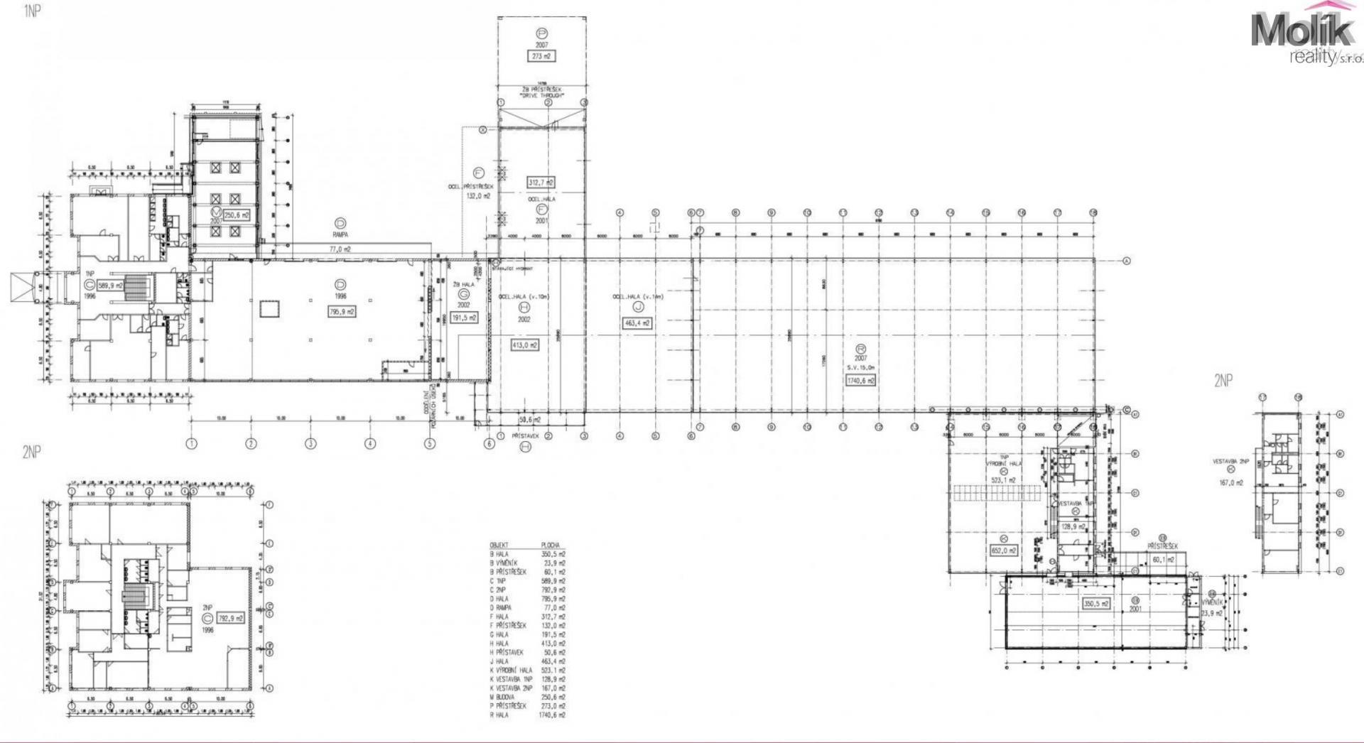
Nabízíme k pronájmu areál 30000 m2 v hodný pro výrobu, sklad, logistiku, a služby o rozloze 7300 m2 ( možnost i částečný pronájem administrativní budovy, skladů a výrobní haly ). Areál se nachází v průmyslové zóně města Chomutov a je ideálně situován s přístupem z ulic Pražská a Raisova blízko centra a zároveň dálnice D7
Technický popis:
- Energetická náročnost: Areál je energeticky úsporný s klasifikací B.
- Vytápění: Zajištěno pomocí horkovodního systému s dvěma výměníkovými stanicemi.
- Energetická energie: Vlastní VN trafostanice s rezervovanou kapacitou 600 kVA.
- Fotovoltaika: Elektrárna o výkonu 99,9 kWp a bateriové úložiště o kapacitě 52 kWh.
- Vodovodní přípojky: Dvě samostatné přípojky vody a technologická voda za cenu 23 Kč/m3.
- Administrativní budova: Rozloha cca 1 300 m2.
- Skladovací a výrobní haly: Celková plocha cca 6 000 m2, výška od 4,5 do 15 metrů.
- Bez obslužný zakladač 1: Kapacita až 2 500 europalet, nosnost 1 000 kg, připraveno na dalších 5 000 palet.
- Bez obslužný zakladač 2: 8 000 ks (600 x 400 x 220 mm) s nosností 50 kg, připraveno na další kusy.
- Volná plocha: cca 4 000 m2 vhodná pro další výstavbu.
- Rok výstavby budov: 1996 až 2008, s rekonstrukcí v roce 2023.
Uživatel serveru RealityMIX.cz (dále jen „Server“) dostupného na internetové adrese (URL) https://www.realitymix.cz, který provozuje společnost DALTEN media s.r.o., se sídlem Na Harfě 916/9a, Praha 9, 190 00, IČO: 271 35 306 (dále jen „Správce“) jako provozovateli tohoto Serveru uděluje svůj výslovný souhlas v souladu s ustanovením § 5 zákona č. 101/2000 Sb. O ochraně osobních údajů a o změně některých zákonů, v platném znění (dále jen „zákon o ochraně osobních údajů“), se zpracováním uživatelem poskytnutých osobních údajů a dalších dat.
Uživatel poskytuje Správci osobní údaje v rozsahu: jméno, příjmení, e-mailová adresa, telefonický kontakt a další data, a to z důvodu projeveného zájmu o nemovitost, kde prostřednictvím služby Serveru Správce osloví Uživatel inzerenta uvedeného v detailu
nemovitosti - Molík reality s.r.o. (IČ 22797599 ) se zájmem o jeho služby.
Uživatel tyto osobní údaje poskytuje dobrovolně a bere na vědomí, že součástí služeb Správce, které Správce Uživateli poskytuje, je vyhledání všech Uživateli vyhovujících (dle parametrů - cena, typ nemovitosti, lokalita atd.) nemovitostí. Správce za tímto účelem provozuje aplikace Hlídací pes a newsletter. Tyto služby je možné z každého zaslaného emailu odhlásit. Souhlas se zpracováním osobních údajů Uživatel poskytuje Správci na dobu neurčitou s tím, že svůj udělený souhlas může Uživatel kdykoliv na drese správce info@realitymix.cz odvolat. Správce garantuje Uživateli i další práva uvedené v ustanovení §11 a §21 zákoba č. 101/200 Sb. Ve znění pozdějších předpisů.
Více informací o zpracování údajů získáte zde (realitymix.cz/zasady-ochrany-osobnich-udaju)