Prodej činžovního domu 918 m², Plzeň - Vnitřní Město
Ve výhradním zastoupení nabízím jedinečnou nemovitost v historickém centru Plzně.
Dům se nachází v ulici Bedřicha Smetany č.p. 163, ve významné památkové zóně v Plzni, přímo v historickém jádru města. Dům samotný není kulturní památkou, nachází se však v chráněném území městské památkové rezervace, tudíž veškeré stavební úpravy je nutno řešit s orgány památkové péče.
Jedná se o městský dům z roku 1907, jeho celkový stavební a technický stav odpovídá stáří domu a použitým stavebním technologiím. Podrobné informace o provedených opravách a úpravách jsou pro případné zájemce k dispozici k nahlédnutí.
Dům má celkem pět nadzemních podlaží a jedno podlaží v suterénu.
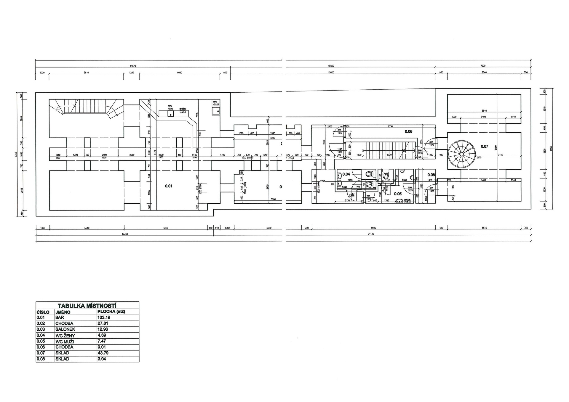
Přízemí – I. NP
Zde je centrální vchod do domu z ulice Bedřicha Smetany, vpravo je vchod do potravin, vlevo do původního gastro provozu. Potraviny jsou aktuálně dlouhodobě pronajímány spolehlivému nájemci.
Suterén – I. PP
Zde se nachází sklady, část gastro provozu, sociální zázemí, chodby, schodiště
1. – 3. patro – II. – IV. NP
Zde se nachází byty o velké podlahové ploše, které je možno rozdělit na několik menších bytových jednotek. Aktuálně je obsazena jedna menší bytová jednotka nájemníkem.
Půdní prostor je prázdný vyklizený a v současné době se nevyužívá.
Stejně tak většina ostatních prostor v současné době nevyužívá svůj potenciál vzhledem k nutnosti provedení rekonstrukce a modernizace do standardů odpovídajících naší době.
Dům má atraktivní polohu v centru města, což znamená značný výnosový potenciál.
Je nutné vzít v úvahu jeho společenský historický význam a možný potenciál práva várečného, které se k domu č.p. 163 vztahuje. Dům je napojen na veškeré inženýrské sítě.
Pro další informace, včetně zájmu o prohlídku prosím kontaktujte makléře.
Pomocí naší hypoteční kalkulačky si můžete udělat orientační představu o výši měsíčních splátek hypotéky. O vše ostatní se pak postaráme my ve spolupráci s našimi obchodními partnery.
141 706 Kč
* Odhadovaná měsíční splátka vychází z výše úvěru Kč s pevnou úrokovou sazbou % po celou dobu trvání úvěru.
Uživatel serveru RealityMIX.cz (dále jen „Server“) dostupného na internetové adrese (URL) https://www.realitymix.cz, který provozuje společnost DALTEN media s.r.o., se sídlem Na Harfě 916/9a, Praha 9, 190 00, IČO: 271 35 306 (dále jen „Správce“) jako provozovateli tohoto Serveru uděluje svůj výslovný souhlas v souladu s ustanovením § 5 zákona č. 101/2000 Sb. O ochraně osobních údajů a o změně některých zákonů, v platném znění (dále jen „zákon o ochraně osobních údajů“), se zpracováním uživatelem poskytnutých osobních údajů a dalších dat.
Uživatel poskytuje Správci osobní údaje v rozsahu: jméno, příjmení, e-mailová adresa, telefonický kontakt a další data, a to z důvodu projeveného zájmu o nemovitost, kde prostřednictvím služby Serveru Správce osloví Uživatel inzerenta uvedeného v detailu
nemovitosti - WOW Reality s.r.o. (IČ 06442463) se zájmem o jeho služby.
Uživatel tyto osobní údaje poskytuje dobrovolně a bere na vědomí, že součástí služeb Správce, které Správce Uživateli poskytuje, je vyhledání všech Uživateli vyhovujících (dle parametrů - cena, typ nemovitosti, lokalita atd.) nemovitostí. Správce za tímto účelem provozuje aplikace Hlídací pes a newsletter. Tyto služby je možné z každého zaslaného emailu odhlásit. Souhlas se zpracováním osobních údajů Uživatel poskytuje Správci na dobu neurčitou s tím, že svůj udělený souhlas může Uživatel kdykoliv na drese správce info@realitymix.cz odvolat. Správce garantuje Uživateli i další práva uvedené v ustanovení §11 a §21 zákoba č. 101/200 Sb. Ve znění pozdějších předpisů.
Více informací o zpracování údajů získáte zde (realitymix.cz/zasady-ochrany-osobnich-udaju)